Close
04 декабря 2025, Четверг
Информационно-познавательный портал. 16+

Открыт простой способ получить дешевое топливо

29.10.2020 Разместил: Редакция / Источник: LENTA.RU 2597

Ученые Мельбурнского королевского технологического института в Австралии открыли легкий и простой способ переработки растительного масла, пищевых отходов и пластикового мусора в дешевое топливо. Для этого специалисты использовали новый тип сверхэффективного катализатора, помогающего производить низкоуглеродистый биодизель. Новый метод, называемый ортогональным тандемным катализом, описан в статье, опубликованной в журнале Nature Catalysis.

Фото из открытых источников

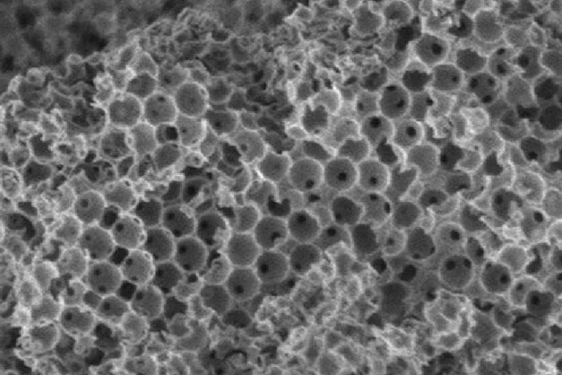
Команда специалистов изготовила высокопористую керамическую губку микронного размера, содержащую различные активные компоненты, в том числе сульфатированный диоксид циркония и наночастицы монооксида магния. Молекулы жиров сначала попадают в крупные поры (макропоры) диаметром 100-500 нанометров, внутренняя поверхность которых покрыта диоксидом циркония, и вступают в первую реакцию очистки, а затем проникают в более мелкие поры (мезопоры), где происходит вторая стадия катализа.

Фото из открытых источников

Схема ортогонального тандемного катализа предотвращает образование нежелательных побочных продуктов, поскольку активные центры катализатора пространственно разделены и действуют друг за другом. В противном случае реагент вступает в реакцию с активными сайтами в случайном порядке, а отдельные компоненты катализатора могут вмешиваться в реакцию, проводимую другими компонентами.

Как сообщается в пресс-релизе исследования на Phys.org, данный способ катализа позволяет эффективно изготавливать биотопливо из сельскохозяйственных отходов, таких как рисовые отруби, орехи кешью и оболочки семян клещевины. При дальнейшем развитии новые катализаторы можно будет легко адаптировать для производства реактивного топлива из сельскохозяйственных и лесных отходов, старых резиновых покрышек и даже водорослей.

Можно ли создать космический лифт для вывода грузов на орбиту
В России создан беспилотник с космической подзарядкой


Наука и технологии
Учёные разработали ускоритель частиц размером с микросхему
20.11.2025 394

Команда учёных разработала принципиально новый способ миниатюризации синхротронов — устройств, использующих мощные магнитные и электрические поля для ускорения электронов и исследования мельчайших структур материи.

Ученые изобрели пластырь, восстанавливающий зубы полностью
18.11.2025 384
Исследователи поместили ИИ в робот-пылесос, вызвав у него экзистенциальный кризис
08.11.2025 305
Илон Маск предложил новую концепцию переноса человеческого сознания в робота
12.11.2025 287
Новый уровень киберугроз: Компьютерные вирусы с ИИ научились эволюционировать
12.11.2025 179