Close
12 ноября 2025, Среда
Информационно-познавательный портал. 16+

Российские ученые нашли гениальное решение в создании искусственной кости

24.08.2019 Разместил: Редакция 2791

Российским ученым удалось создать из пластика и соли пористый материал, имитирующий структуру кости. При этом обычная поваренная соль стала главным вспомогательным веществом.

Фото из открытых источников

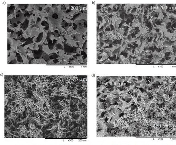
В настоящее время сверхвысокомолекулярный полиэтилен уже имеет широкое применение в искусственных суставах, также как керамика и металл. Этот вид пластика обладает высокой прочностью и плотностью, а главное - полностью безопасен для человеческих тканей. Эти характеристики материала идеально подходят для создания искусственных костей.

Раньше основной проблемой в их создании было отсутствие пористости. Она необходима костям для перемещения костных клеток и прорастания кровеносных сосудов, но сделать сложные структуры внутри искусственной кости было не так просто. При объемной печати пластик долгое время остается вязким.

Фото из открытых источников

Решить данную проблему смогли благодаря необычной технологии, предложенной учеными НИТУ МИСиС. В момент изготовления кости, полимер смешивается с обычной поваренной солью, а после его застывания соль вымывается водой. В созданном изделии остаются поры нужного размера.

Материал был протестирован на прочность при заданных нагрузках, а также был исследован с помощью микроскопа. Механические свойства изделия оказались такими же, в независимости от размера пор, однако материал стал менее упругим, чем настоящая кость. На следующем этапе исследований будет выполняться поиск комбинации материалов для создания искусственной кости с необходимыми параметрами.

Ученые вырастили мозг, который вдруг начал функционировать
Из борщевика будут делать аккумуляторы
Метки:
Пластик


Наука и технологии
Экзоскелеты с ИИ свободно продаются в Китае
17.10.2025 370

Китайские улицы постепенно становятся витриной передовых технологий. Здесь уже появились магазины, где покупатели могут запросто купить настоящий экзоскелет, ранее ассоциирующийся лишь с научной фантастикой.

Учёные теряют доверие к искусственному интеллекту
14.10.2025 343
Китайская компания представила «самого дешёвого в мире» человекоподобного робота
25.10.2025 336
В США создали первого в мире боевого робота с микроволновым оружием
16.10.2025 206
Исследователи поместили ИИ в робот-пылесос, вызвав у него экзистенциальный кризис
08.11.2025 175